Чтение онлайн

на главную - закладки

Жанры

Шрифт:

• стабилизация горения столба дуги (например, вводят дроссель в цепь питания). Зависимость напряжения дуги от тока в сварочной цепи называют статической вольт-амперной характеристикой дуги.

Вольт-амперная характеристика дуги имеет три области (рис. 5):

• падающая область I (при токах до 100 А);

• жесткая область II (при токах 100–1000 А);

• возрастающая область III (при токах свыше 1000 А).

Напряжение, необходимое для возбуждения дуги, зависит от рода тока (переменный или постоянный), дугового промежутка, материала электрода и его покрытия, свариваемого металла.

Дуга с падающей характеристикой (I) малоустойчива и имеет ограниченное применение, т. к. требует включения в сварочную цепь осциллятора.

Рис. 5.

Статическая вольт-амперная характеристика дуги

Самое широкое применение нашла дуга с жесткой (II) и возрастающей (III) характеристикой. Каждому участку дуги соответствует определенный характер переноса расплавленного электродного металла в сварочную ванну:

• I и II участок – крупнокапельный,

• III участок – мелкокапельный или струйный.

Для сохранения неизменного напряжения на дуге необходимо длину дуги поддерживать постоянной.

Материалы и оборудование для производства работ электродуговой сваркой:

• источник питания сварочной дуги;

• сварочный и питающий кабели, электрододержатель;

• принадлежности сварщика – спецкостюм, маска с защитным стеклом;

• сварочный стол или приспособления для сборки и фиксации деталей;

• инструменты для измерения и разметки;

• инструменты для зачистки швов и удаления шлаковой корки;

• средства пожаротушения.

Преимущества электродуговой сварки:

• высокая технологичность процесса;

• возможность автоматизации и механизации процессов сварки;

• меньшая по сравнению с газовой сваркой зона термического влияния;

• простота регулирования процесса сварки;

• дешевые расходные материалы (электроды);

• высокая скорость соединения деталей.

Недостатки электродуговой сварки:

• необходимость использования специальных сварочных трансформаторов или инверторов (преобразователей);

• энергозависимость (необходима электрическая сеть или генераторы);

• подготовка деталей для сборки (разделка кромок, фиксация элементов).

Электрошлаковая сварка (ЭШС)

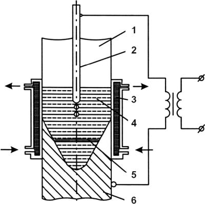
При электрошлаковой сварке основной и электродный металлы расплавляются теплотой, выделяющейся при прохождении электрического тока через шлаковую ванну. Шлак представляет собой расплавленный, обладающий электропроводностью флюс. Процесс электрошлаковой сварки (рис. 6) начинается с образования шлаковой ванны (4) в пространстве между кромками основного металла (1) и формирующими устройствами (3) типа ползунов или пластин, охлаждаемыми водой, путем расплавления флюса электрической дугой, возбуждаемой между сварочной проволокой (2) и вводной планкой (6).

После накопления определенного количества жидкого шлака дуга шунтируется шлаком и гаснет, а подача проволоки и подвод тока продолжаются. При прохождении тока через расплавленный шлак, являющийся токопроводящим электролитом, в нем выделяется теплота, достаточная для поддержания высокой температуры шлака – до 2000 °C и расплавления основного металла и электродной проволоки. За счет разницы в плотности электродный металл (плотность жидкого металла значительно больше плотности компонентов шлака) опускается на дно расплава, образуя металлическую ванну (5), а расплавленный флюс находится в верхней части расплава, образуя шлаковую ванну (4).

Шлаковая ванна, находясь сверху, защищает жидкий металл от окисления воздухом.

В начальном и конечном участках образуются дефекты. В начале шва – непровар кромок, а в конце шва – усадочная раковина и неметаллические соединения.

Наиболее экономически выгодным является применение электрошлаковой сварки при изготовлении толстостенных конструкций в тяжелом машиностроении, для изготовления ковано-сварных и лито-сварных конструкций, таких как станины и детали мощных прессов и станков, коленчатые валы судовых двигателей, роторы и валы гидротурбин, котлы высокого давления.

Рис. 6.

Схема процесса электрошлаковой сварки:

1 – кромки основного металла;

2 – сварочная проволока;

3 – формирующиеся устройства;

4 – шлаковая ванна;

5 – металлическая ванна;

6 – водная планка.

Технологические возможности ЭШС позволяют сваривать детали толщиной от 30–40 до 3000 мм. Для сварки используют проволоку, плавящиеся мундштуки, пластинчатые электроды, ленточные электроды. В качестве источников питания применяют специальные сварочные трансформаторы с жесткой внешней характеристикой, напряжением 30–55 В и токами от 50 А до 3000 А.

Аппараты для ЭШС условно разделяют на следующие типы:

• рельсовые аппараты, перемещающиеся по направляющим рельсам;

• безрельсовые аппараты, перемещающиеся непосредственно по изделию;

• аппараты подвесного типа, не имеющие ходового механизма, что делает их простыми и портативными.

Оборудование, необходимое для ЭШС:

• специальные сварочные аппараты;

• аппаратные шкафы;

• аппараты для подачи электродной проволоки или ленты;

• устройства для формирования сварочного шва;

• устройства фиксации и перемещения изделий.

Преимущества ЭШС:

• возможность получения за один проход сварных соединений практически любой толщины, от 25 и до 3000 мм;

• отсутствие необходимой специальной подготовки кромок свариваемых деталей;

• расход флюса в десятки раз меньший, чем при обычной электродуговой сварке;

• возможность применения электродов самой различной формы;

• улучшенная макроструктура шва (высокая однородность металла сварной ванны);

• высокая производительность процесса;

Поделиться:
Популярные книги

Эволюционер из трущоб. Том 11

Панарин Антон
11. Эволюционер из трущоб
Фантастика:
аниме
фэнтези
фантастика: прочее
попаданцы
5.00
рейтинг книги
Эволюционер из трущоб. Том 11

Один на миллион. Трилогия

Земляной Андрей Борисович
Один на миллион
Фантастика:
боевая фантастика
8.95
рейтинг книги
Один на миллион. Трилогия

Ботаник

Щепетнов Евгений Владимирович
1. Ботаник
Фантастика:
фэнтези
боевая фантастика
4.56
рейтинг книги
Ботаник

Кодекс Охотника. Книга VIII

Винокуров Юрий
8. Кодекс Охотника
Фантастика:
фэнтези
попаданцы
аниме
5.00
рейтинг книги
Кодекс Охотника. Книга VIII

Вперед в прошлое 2

Ратманов Денис
2. Вперед в прошлое
Фантастика:
попаданцы
альтернативная история
5.00
рейтинг книги
Вперед в прошлое 2

Идеальный мир для Лекаря 12

Сапфир Олег
12. Лекарь
Фантастика:
боевая фантастика
юмористическая фантастика
аниме
5.00
рейтинг книги
Идеальный мир для Лекаря 12

Лихие. Авторитет

Вязовский Алексей
3. Бригадир
Фантастика:
альтернативная история
попаданцы
5.00
рейтинг книги
Лихие. Авторитет

Вернувшийся: Корпорация. Том III

Vector
3. Вернувшийся
Фантастика:
космическая фантастика
боевая фантастика
рпг
5.00
рейтинг книги
Вернувшийся: Корпорация. Том III

Идеальный мир для Лекаря 28

Сапфир Олег
28. Лекарь
Фантастика:
юмористическое фэнтези
аниме
фэнтези
5.00
рейтинг книги
Идеальный мир для Лекаря 28

Разбуди меня

Рам Янка
7. Серьёзные мальчики в форме
Любовные романы:
современные любовные романы
остросюжетные любовные романы
5.00
рейтинг книги
Разбуди меня

Камень. Книга вторая

Минин Станислав
2. Камень
Фантастика:
фэнтези
8.52
рейтинг книги
Камень. Книга вторая

Вечный. Книга I

Рокотов Алексей
1. Вечный
Фантастика:
боевая фантастика
попаданцы
рпг
5.00
рейтинг книги
Вечный. Книга I

Андер Арес

Грехов Тимофей
1. Андер Арес
Фантастика:
рпг
аниме
фэнтези
фантастика: прочее
5.00
рейтинг книги
Андер Арес

Последний рейд

Сай Ярослав
5. Медорфенов
Фантастика:
фэнтези
аниме
5.00
рейтинг книги
Последний рейд