Молот. Эскизы-описания

на главную - закладки

Жанры

Поделиться:
Шрифт:

Введение

Инженер конструктор отдела гл.механика Гаврилов Сергей Фёдорович написал эту книгу для конструкторов, студентов механиков и механиков цехов. Данная книга содержит эскизы узлов и деталей молота близкие к рабочим чертежам, некоторые расчеты и подробное описание двух стоечного арочного паровоздушного молота двойного действия. Приведены инструкции по работе на молоте, по ремонту и обслуживанию молота.

Описанный молот интересен тем, что выпущен в 1884 году английской фирмой, в настоящее время не существующей, установлен 1896 г. и успешно работает по сей день. Все основные детали молота остались фирменными, что подтверждает правильность выбранной схемы молота, выбранных материалов и расчетных коэффициентов.

Молот

История.

Молот был установлен еще в царское время. Работал молот от паропровода с давлением пара 12 кгс/кв.см. Где то в 2010 году экономисты решили, что работа на пару обходится дорого и перевели питание молота на сжатый воздух давлением на входе в молот равное 6 кгс/кв.см. . Перевод произвели упрощенно – магистральный паропровод к цеху отрезали от общезаводского паропровода и подсоединили к общезаводской магистрали сжатого воздуха. Внутри цеха ничего не менялось. В литературе было указано, что при резком расширении сжатого воздуха, его температура сильно понижается и вода, содержащая в воздухе, замерзает. Подвод сжатого воздуха производится трубопроводом Ду = 80 мм. Перед молотом установлен влаго отделитель в виде двух последовательно соединенных баков емкостью примерно по 100 литров, оборудованных вентилями сброса конденсата. Влаго отделители выполняли, так же функции пневмо аккумуляторов. Возможно наличие влаго отделителей убрало эффект образования льда в цилиндре молота – льда в деталях молота при работе не наблюдалось. Конечно, сила удара уменьшилась, но всю номенклатуру заготовок, необходимую для заводских ремонтов, на молоте ковать получалось. Возможно, молот по заводу перемещали, так как я, работая на заводе двадцать шесть лет, дважды обеспечивал конструкторской документацией капитальный ремонт этого молота с полной разборкой, с частичным разрушением и восстановлением фундамента молота. Все это время также обеспечивал чертежами текущие ремонты молота.

# ........

Причины появления этой книги: В настоящее время в технической литературе очень мало конкретных данных по устройству, конструкции узлов и деталей. Редко приводятся реальные цифры. Автор постарался подробно раскрыть устройство узлов и деталей молота. Молот фирмы английской фирмы получился удачным и заслуживающим изучения. Редко какой молот, может работать более ста лет, сохраняя в целости все основные фирменные детали. Автор подробно описывает устройство молота, иллюстрирует эскизами узлов и деталей, приводит некоторые расчеты, описывает технологию ремонта фундамента молота и ремонта самого молота, приводит справочные данные. Приводит выдержки из технологической инструкции и инструкции по эксплуатации молота. Приведены необходимые справочные таблицы и формулы, часто используемые в расчетах.

Основные узлы молота

Преимущества и недостатки

Преимущества молота: Молот, при одинаковых размерах обрабатываемой поковки, значительно легче и меньше по размерам, чем ковочный пресс. За счет искусного умения кузнеца, на молоте можно выполнять сложные по конфигурации поковки используя простые и дешевые приспособления. Для исполнения подобных поковок на ковочном прессе нужны сложные и дорогие штампы и матрицы. Для привода молота достаточно иметь доступ к общезаводскому паропроводу или воздухопроводу. Пар и сжатый воздух все равно нужен заводу – поэтому стоимость привода молота, это малый процент от общезаводского паро или пневмо снабжения. Сложных систем управления молоту не требуется. Простой молота или включение молота мало влияют на загруженность общезаводского ресурса. Для пресса же необходим специализированный индивидуальный или групповой гидропривод, электропривод, достаточно сложные системы управления и, как правило, системы охлаждения.

Пресс в сумме с приводами и системой управления занимает значительно больше места.

В итоге: При организации ремонтной службы молот предпочтителен.

Недостатки молота: Работа на молоте более опасна, чем на прессе. Молот – динамическая система. При ударе, молот стремится порвать фундаментные болты, пробить шаботом дно фундамента, оторвать траверсу от станины, цилиндр от траверсы.

При ошибке кузнеца – инструмент выбивает из рук, в кузнеца может попасть кусок горячей окалины или кусок металла. Кузнец подвергается тепловому облучению.

При ударе молота возникают сильные колебания почвы вокруг кузницы. В конторе в двухстах метрах от молота, в отдельном здании, компьютеры содрогались от ударов молота. Понятно, что точные станки, сложную электронику поблизости от молота располагать нельзя. Пресс, в отличии от молота, замкнутая система. Пресс работает почти бесшумно, сотрясений почвы не вызывает, фундамент динамическими нагрузками не разрушает. Пресс предпочтительней при организации массового производства.

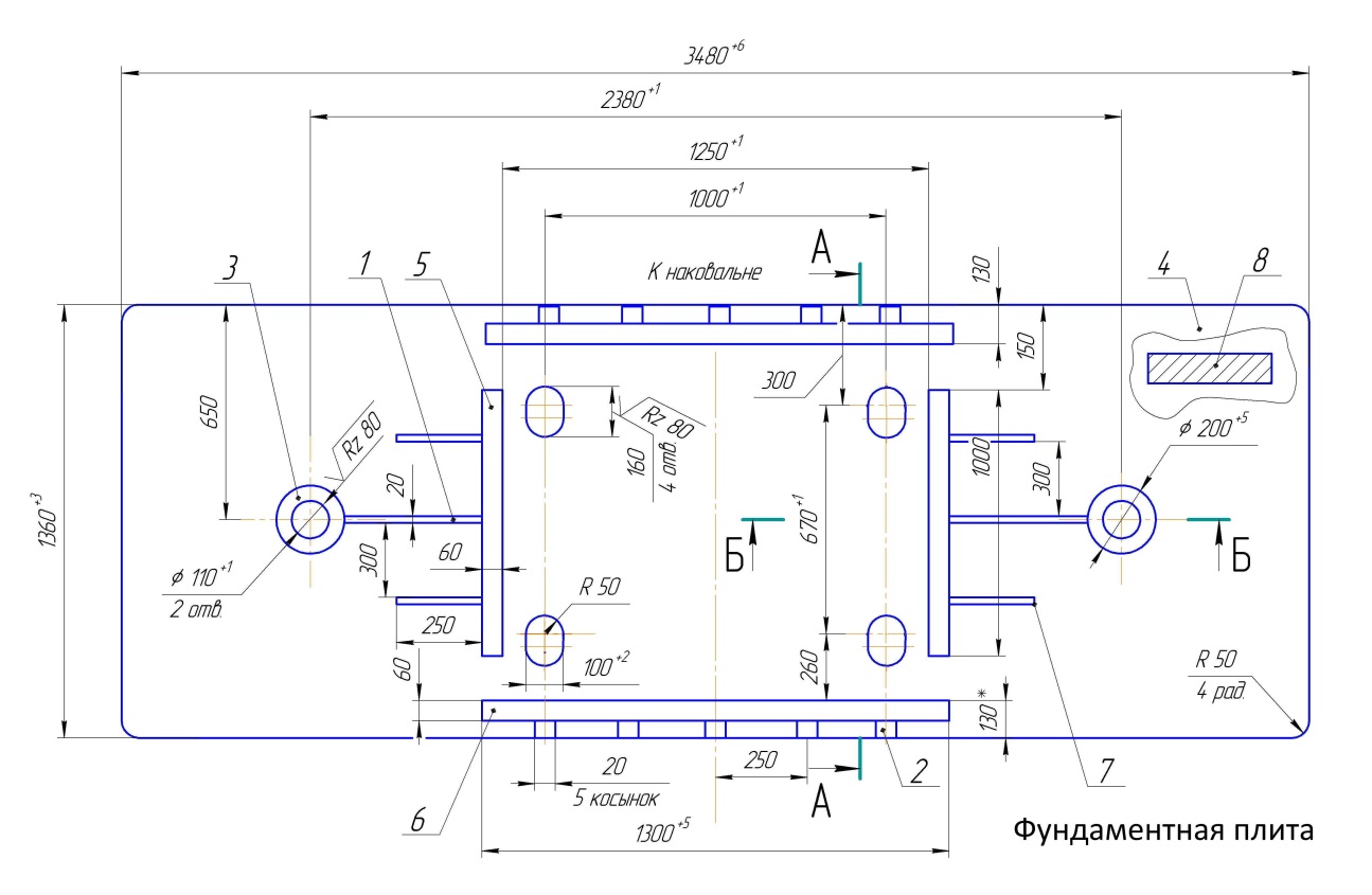
Фундамент молота

Фундамент молота должен превосходить вес падающих частей молота в 80…100 раз. Крымский стр. 120. Рассматриваемый молот имеет вес падающих частей равный 3000 кгс. Значит вес фундамента должен быть не менее 270 тонн. Размеры фундамента в плане 5200 * 3600 при глубине 3980 мм по весу получается меньше рекомендованного примерно в два раза. Полного комплекта чертежей фундамента в цехе нет – утеряны. При ремонтах используются ремонтные чертежи ремонтируемых фрагментов фундамента.

Основания северной и южной станин молота опираются на фундаментные плиты.

Фундаментные плиты забетонированы в фундамент и притянуты к фундаменту анкерными шпильками и стянуты между собой продольными шпильками.

Перед ремонтом фундамента на полу кузницы определяют реперные точки, относительно которых замеряют текущее положение анкерных болтов молота в плане относительно реперных точек и высоту положения основных элементов фундамента относительно высотной реперной точки принятой за условный « ноль » высоты .

После разборки молота – станины молота монтируются на приспособление

« Фальшбаба ». Две одинаковых Фальшбабы устанавливают на станины, одну сверху, другую снизу, вместо направляющих, для установки станин молота строго в проектное положение. Станины, через фальшбабы, жестко стягиваются болтами в единое целое. Станины выкладываются в сборе в положение удобное для замеров. В отверстия станин, предназначенные под анкерные шпильки, вставляем стальные, слегка конические, пробки с четко обозначенными центрами в виде неглубоких отверстий Ф 2 мм. затем

замеряется фактическое межцентровое расстояние отверстий анкерных шпилек.

По эскизу фактических межцентровых будут располагать новые анкерные шпильки.

После фактического определения координат анкерных шпилек – делаются установочные шаблоны в которые устанавливают анкерные шпильки, индивидуально для северной и южной станин.

После выборки необходимого объема старого бетона, в оставшемся бетонном массиве старого фундамента сверлят отверстия в шахматном порядке с шагом 400 мм.

123

Книги из серии:

Без серии

[5.0 рейтинг книги]
[5.0 рейтинг книги]
[5.0 рейтинг книги]
[5.0 рейтинг книги]
[5.0 рейтинг книги]
[5.0 рейтинг книги]
[5.0 рейтинг книги]
Комментарии:
Популярные книги

Моров. Том 7

Кощеев Владимир
6. Моров
Фантастика:
альтернативная история
аниме
фэнтези
попаданцы
5.00
рейтинг книги
Моров. Том 7

Кодекс Крови. Книга ХIV

Борзых М.
14. РОС: Кодекс Крови
Фантастика:
попаданцы
аниме
фэнтези
5.00
рейтинг книги
Кодекс Крови. Книга ХIV

Старый, но крепкий

Крынов Макс
1. Культивация без насилия
Фантастика:
рпг
уся
попаданцы
5.00
рейтинг книги
Старый, но крепкий

Двойник короля 18

Скабер Артемий
18. Двойник Короля
Фантастика:
аниме
фэнтези
попаданцы
5.00
рейтинг книги
Двойник короля 18

Шатун. Лесной гамбит

Трофимов Ерофей
2. Шатун
Фантастика:
боевая фантастика
7.43
рейтинг книги
Шатун. Лесной гамбит

Кодекс Охотника. Книга XXXVI

Винокуров Юрий
36. Кодекс Охотника
Фантастика:
аниме
фэнтези
попаданцы
5.00
рейтинг книги
Кодекс Охотника. Книга XXXVI

Алый бант в твоих волосах. Том 2

Седов Павел
2. Алый бант
Фантастика:
ранобэ
фэнтези
5.00
рейтинг книги
Алый бант в твоих волосах. Том 2

Эволюционер из трущоб. Том 5

Панарин Антон
5. Эволюционер из трущоб
Фантастика:
попаданцы
аниме
фэнтези
фантастика: прочее
5.00
рейтинг книги
Эволюционер из трущоб. Том 5

Решала

Иванов Дмитрий
10. Девяностые
Фантастика:
попаданцы
альтернативная история
5.00
рейтинг книги
Решала

Кодекс Охотника. Книга XXIV

Винокуров Юрий
24. Кодекс Охотника
Фантастика:
фэнтези
попаданцы
аниме
5.00
рейтинг книги
Кодекс Охотника. Книга XXIV

Последний Герой. Том 2

Дамиров Рафаэль
2. Последний герой
Фантастика:
попаданцы
альтернативная история
4.50
рейтинг книги
Последний Герой. Том 2

Инженер Петра Великого 4

Гросов Виктор
4. Инженер Петра Великого
Фантастика:
попаданцы
альтернативная история
5.00
рейтинг книги
Инженер Петра Великого 4

Петля, Кадетский корпус. Книга первая

Алексеев Евгений Артемович
1. Петля
Фантастика:
боевая фантастика
попаданцы
аниме
6.11
рейтинг книги
Петля, Кадетский корпус. Книга первая

Двойник Короля

Скабер Артемий
1. Двойник Короля
Фантастика:
попаданцы
аниме
фэнтези
фантастика: прочее
5.00
рейтинг книги
Двойник Короля