Гидропривод токарного станка

на главную - закладки

Жанры

Поделиться:

Гидропривод токарного станка

Шрифт:

19-Апр-2021 г…

Введение

Инженер конструктор отдела гл.механика Гаврилов Сергей Фёдорович написал эту книгу для конструкторов и студентов механиков. Данная книга приводит подробное описание гидропривода токарного станка, содержит рабочие чертежи узлов и деталей гидропривода. Данный гидропривод автор спроектировал полностью сам. Приведены ссылки, по которым можно скачать рабочие чертежи гидропривода, не вошедшие в книгу

и добавочную информацию.

Описанный гидропривод интересен тем, что может быть применен практически на любом станке с описанным циклом работы, без изменения чертежей основных деталей. Как автор разработки, я не возражаю против заимствования и копирования. Гидропривод запущен в работу в 2018 году. Наиболее сложное – это разработка силовой гидроплиты. Чертежи гидроплиты приведены полностью с подробными пояснениями. Гидропривод, в отличие от механического привода, более универсален и легко может быть установлен на разные типы станков. Использование, проверенных эксплуатацией, конструкторских решений позволит избежать явных и скрытых ошибок.

Приведен обширный перечень литературы по затронутым в книге вопросам.

История разработки:

В 1985 году мной был разработан гидропривод специального операционного токарного станка на базе покупной украинской гидропанели УН 7426-02.

Причиной разработки был износ оригинальной, встроенной в станину станка гидропанели. Встроенная гидропанель была очень неудобна в ремонте. Чтобы до нее добраться, надо было сливать все масло из встроенного в станину гидробака. Решили: Отверстие в станине под гидропанель заглушить крышкой. Применить покупную гидропанель УН 7426-02. Установив ее над гидробаком с правого торца станины.

После модернизации станок успешно работал в составе технологической линии.

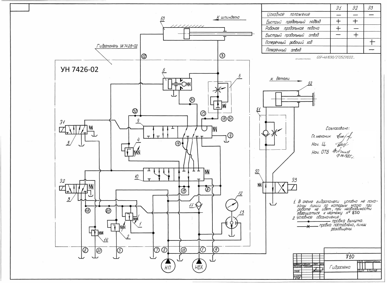
Гидросхема станка:

на гидропанели УН 7426-02..

,,,

,,,

В 2017 году гидропанель работать отказалась. Ремонтный участок завода заменил гидропанель на вновь купленную – то же отказ в работе. Добавочно технологи потребовали усложнить цикл работы станка. В итоге мне поставили задачу разобраться со станком. В помощь выделили опытного слесаря механика Андрея ( отчество, извините, забыл ).

Гидропанель УН 7426-02.

,,,

,,,

Как видим из фотографии – гидропанель состоит из двух крупных блоков и пристыкованных к ним гидроэлементов.

Мы с Андреем перебрали новую гидропанель полностью, проследили проходы всех сверлений, что смогли. Продули сжатым воздухом, пролили керосином. Вроде все нормально – но не работает. Параллельно разбирали старую панель и так же проливали и продували, для сравнения. Сравнивали размеры золотников. Сделали вывод: Либо где то отвернулась технологическая пробка внутри панели ( в старой ) и забыли поставить в новой гидропанели, в документации никаких указаний нет. Либо в новой панели где то сверления вышли во внутренний пузырь в литье, что нарушило всю гидросхему. Заказывать еще одну новую гидропанель – при нынешних отношениях с Украиной – если и пришлют, то тоже наверное, будет бракованной. Доложили руководству о результатах работы, и я предложил разработать гидропанель на покупных элементах. Основу гидропанели изготовить в механическом цехе завода. Аргументировал тем, что по моим чертежам подобные гидропанели уже изготавливались и успешно работают. Через некоторое время получил добро на разработку. Первым делом связался с технологами и составил с их слов черновик требуемого цикла работы станка. Цикл работы станка оформил официально и утвердил начальством. Бумага очень важная. По опыту знаю, сегодня у них одни мысли, через пару месяцев все уже может поменяться. Подписанный цикл работы станка дает гарантию, что тебе не скажут – что ты не так нас понял – переделай.

Описание работы станка.

,,,,

,,,,

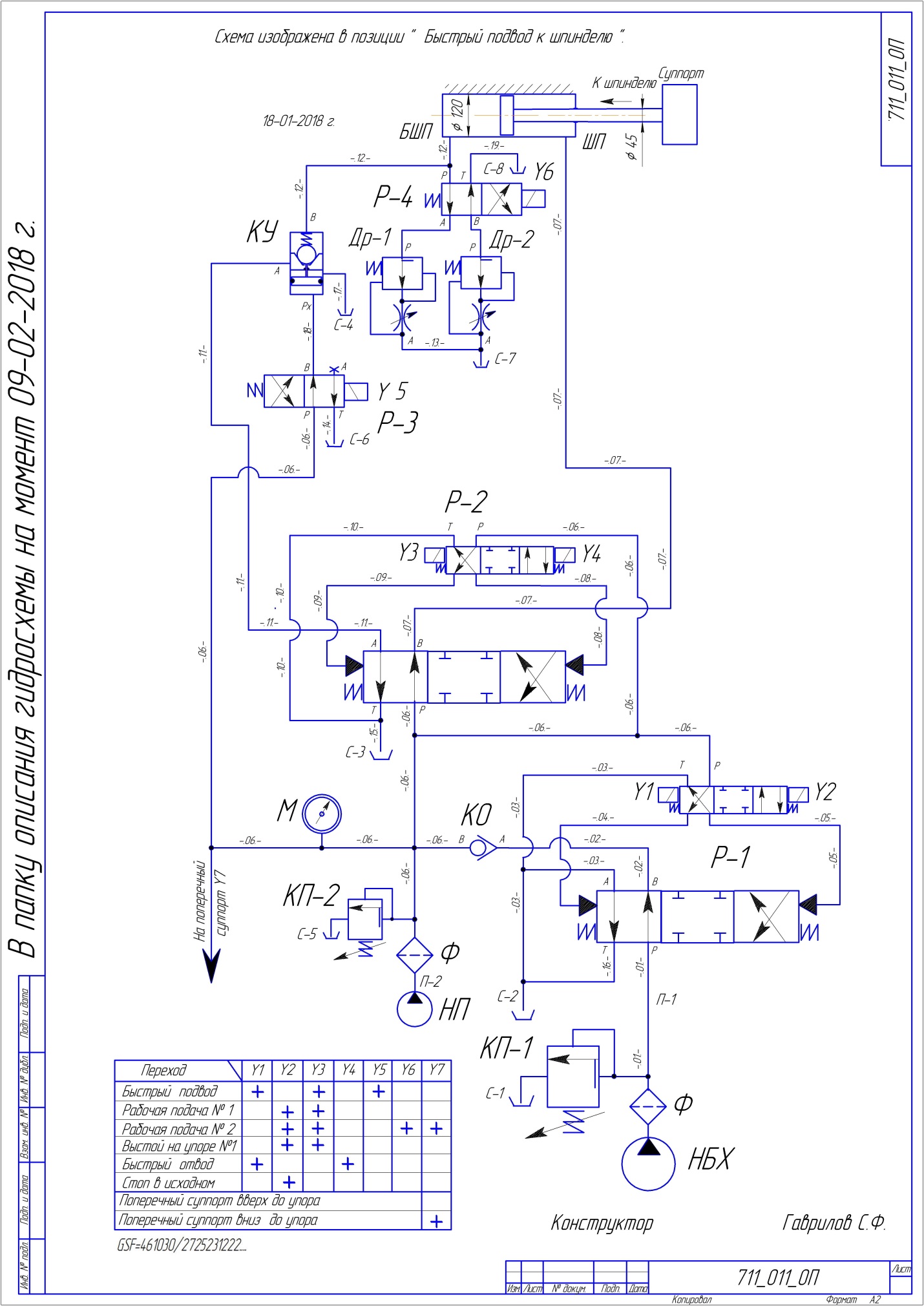
Получив подписанную циклограмму работы – приступаем к разработке гидросхемы станка. На продольном суппорте станка имеется поперечный суппорт. Поперечный суппорт перемещается от крайнего верхнего положения до верхнего упора до крайнего нижнего положения – нижнего упора с помощью гидроцилиндра под управлением гидрораспределителя Y7. При выключенном Y7 в рабочем положении находится и режет черновой резец на подаче № 1. При включенном Y7 и Y6 в рабочем положении находится и режет чистовой резец на подаче № 2.

Быстрый подвод, рабочая подача, выстой на упоре, быстрый отвод одинаковы как для первого, так и для второго прохода.

При разработке гидросхемы учитываем доступные покупные гидроэлементы.

Разработанную гидросхему обязательно утверждаем руководством.

Разработанная гидросхема.

,,,

,,,

Утверждаем руководством технические характеристики станка с данной гидросхемой, это тоже очень важный этап разработки. Все эти документы имеют надписи: Согласовано:

Должность, подпись, расшифровка фамилии, дата..

Техническая характеристика.

,,,,

,,,,

Пояснительная записка.

Для проектирования гидропанели станка необходимы следующие аппараты:

Примечание: Насос НП / НБХ после проверки можно использовать существующий.

Гидрораспределитель Р-1: имеет подвод давления к золотнику – пилоту изолированный

от подвода давления к силовому золотнику и выполнен от насоса подач. Слив с золотника – пилота

объединен со сливом с силового золотника. Эл.магниты золотника – пилота на 110..

вольт переменного тока.

Гидрораспределитель Р-2: имеет подвод давления к золотнику – пилоту объединенный с подводом давления к силовому золотникуот насоса подач. Слив с золотника – пилота

объединен со сливом с силового золотника. Эл.магниты золотника – пилота на 110..

вольт переменного тока.

Клапан управляемый КУ имеет изолированные от силовых линий – отдельные линии:

Линию подачи давления на управляющий поршень и линию дренажа штоковой полости

управляющего поршня.

Фильтра установить на правом торце станины по месту.

Конструктор..Гаврилов С.Ф.

,,,,

Описание работы гидросхемы.

18-03-2018 г..

Описание работы гидросхемы № 711_011_ОП..

Стоп в исходном отведенном от шпинделя положении на жестком упоре.

Книги из серии:

Без серии

[5.0 рейтинг книги]
[5.0 рейтинг книги]
[5.0 рейтинг книги]
[5.0 рейтинг книги]
[5.0 рейтинг книги]
[5.0 рейтинг книги]
[5.0 рейтинг книги]
[5.0 рейтинг книги]
[5.0 рейтинг книги]
Комментарии:
Популярные книги

Возмутитель спокойствия

Владимиров Денис
1. Глэрд
Фантастика:
фэнтези
боевая фантастика
попаданцы
5.00
рейтинг книги
Возмутитель спокойствия

Моров. Том 4

Кощеев Владимир
3. Моров
Фантастика:
фэнтези
попаданцы
альтернативная история
аниме
5.00
рейтинг книги
Моров. Том 4

Наследие Маозари 2

Панежин Евгений
2. Наследие Маозари
Фантастика:
попаданцы
рпг
аниме
5.00
рейтинг книги
Наследие Маозари 2

Последний Паладин. Том 3

Саваровский Роман
3. Путь Паладина
Фантастика:
юмористическое фэнтези
попаданцы
аниме
5.00
рейтинг книги
Последний Паладин. Том 3

#Бояръ-Аниме. Газлайтер. Том 11

Володин Григорий Григорьевич
11. История Телепата
Фантастика:
фэнтези
попаданцы
аниме
5.00
рейтинг книги
#Бояръ-Аниме. Газлайтер. Том 11

Шайтан Иван 3

Тен Эдуард
3. Шайтан Иван
Фантастика:
попаданцы
альтернативная история
7.17
рейтинг книги
Шайтан Иван 3

Сильнейший Столп Империи. Книга 1

Ермоленков Алексей
1. Сильнейший Столп Империи
Фантастика:
аниме
фэнтези
фантастика: прочее
попаданцы
5.00
рейтинг книги
Сильнейший Столп Империи. Книга 1

"Дальние горизонты. Дух". Компиляция. Книги 1-25

Усманов Хайдарали
Собрание сочинений
Фантастика:
фэнтези
боевая фантастика
попаданцы
5.00
рейтинг книги
Дальние горизонты. Дух. Компиляция. Книги 1-25

Идеальный мир для Лекаря 5

Сапфир Олег
5. Лекарь
Фантастика:
фэнтези
юмористическая фантастика
аниме
5.00
рейтинг книги
Идеальный мир для Лекаря 5

Последний Паладин. Том 5

Саваровский Роман
5. Путь Паладина
Фантастика:
фэнтези
попаданцы
аниме
5.00
рейтинг книги
Последний Паладин. Том 5

Курсант: назад в СССР 2

Дамиров Рафаэль
2. Курсант
Фантастика:
попаданцы
альтернативная история
6.33
рейтинг книги
Курсант: назад в СССР 2

Я еще барон. Книга III

Дрейк Сириус
3. Дорогой барон!
Фантастика:
боевая фантастика
попаданцы
аниме
5.00
рейтинг книги
Я еще барон. Книга III

Меченный смертью. Том 1

Юрич Валерий
1. Меченный смертью
Фантастика:
аниме
фэнтези
попаданцы
5.00
рейтинг книги
Меченный смертью. Том 1

Зеркало силы

Кас Маркус
3. Артефактор
Фантастика:
городское фэнтези
попаданцы
аниме
5.00
рейтинг книги
Зеркало силы